
AR-T35-11系列轴流式风机是我国八十年代在T30-11的基础上改进了新型风机,它于T30-11风机相比具有以下明显优点:
1、结构更合理
2、性能有较大提高(全压效率为89.5%)。
3、噪声低(噪声降低3.6ddB(A))。
本系列风机适用于输送非易燃、易爆、无显著粉尘的气体,环境温度不得超过60度,广泛应用于一般的工厂、仓库、办公室等
通风换气,也可在较长的排气管道内串联安装,以提高管道中的压力。卸下机壳后好可以做自由风扇用的。
本系列风机也轮直径由小到大共有十三规格,每一规格风机的也片角度都偶15度、20度、25度、30度、35度五种形式,风量:826~67892m/h,风压:38-474pa(详见性能参数表),使用范围广。
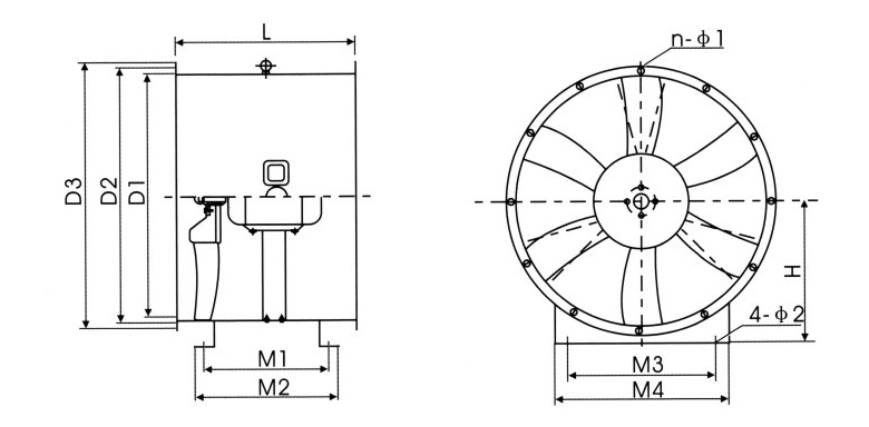
本系列风机只要由也轮、机壳、集流器和电机等部件组成,叶轮于电机直联。从电机端看叶轮针方向旋转时为左旋。



